Спецификация
| Артикул | DWT30000 |
| Бренд | Dragon Winch |
| Тягове зусилля | 13 т |
| Довжина троса | 30 м |
| Напруга, вольтаж | 24 В |
| Трос | Стальной |
| Пульт дистанційного управління | Пульт проводной + беспроводной |
| Привід лебідки | Электрический |
Сопутствующие товары
Эвакуаторная лебедка Dragon Winch DWT 30000 HD
Производитель тяговых устройств Dragon Winch разработал серию лебедок Truck специально для установки на эвакуаторы, грузовые автомобили и другую спецтехнику. Модель DWT 30000 HD имеет наибольшую максимальную нагрузку среди других механизмов линейки - до 13,5 тонн.
Электрический двигатель мощностью 10,5 л. с. работает от аккумулятора 24 В. Устройство оборудовано стальным тросом, достигающим 30 метров в длину. Для равномерной намотки каната на барабан соответствуют роликовые направляющие.
В комплекте для управления поставляется 2 пульта дистанционного управления: проводной и радиопульт. В случае отключения мотора срабатывает динамический тормоз, надежно фиксирующий предмет.
При максимальной нагрузке 13605 кг скорость намотки троса составляет 1 м/мин. Чем меньше нагрузка - тем больше скорость.
Интернет-магазин Vnedorognik.ua предлагает большой ассортимент лебедок для эвакуатора и транспортных средств спасательных служб известных брендов.
Скорость намотки на лебедку DWT 30000 HD и мощность (первый виток троса на барабане)
| Нагрузка | кг | 0 | 3400 | 6800 | 13605 |
| Скорость | м / мин | 2,62 | 2,22 | 1,8 | 1 |
| Потребляемый ток 24 Вольта | ампер | 45 | 152 | 313 | 414 |
Тяговое усилие DWT 30000 HD в зависимости от витка троса
| Виток | 1 | 2 | 3 | |
| Нагрузка | кг | 13605 | 10830 | 9550 |
| Длина троса на барабане | м | 8,6 | 18,8 | 30 |
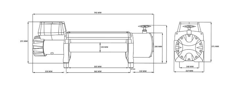
Размеры лебедки DWT 30000 HD, мм

| A | Длина | 745 |
| B | Ширина | 217 |
| C | Высота о основания до самой верхней точки лебедки | 271 |
| D | Расстояние между монтажными отверстиями (длина) | 365 |
| E | Расстояние между монтажными отверстиями (ширина) | 164 |
| F | Длина барабана (внутренняя) | 335 |
| G | Диаметр барабана | 100 |
| H | Длина двигателя | 210 |
| I | Длина передачи | 132 |
| J | Высота от основания до поверхности кромки передачи | 200 |
| K | Толщина ножки | 30 |
Оплата
- Оплата наличными
- Безналичный расчёт
- Оплата на карту
- Наложенный платёж
Гарантия
- 100% гарантийное обслуживание
- Срок гарантии для каждого товара индивидуальный
Обмен и возврат
- В течение 14 дней: нового, неактивированного товара надлежащего качества
Станьте первым — оставьте отзыв!
Сопутствующие товары
З цим товаром часто купують
В интернет-магазине vnedorognik.ua можно купить все виды автозапчастей и аксессуаров для полноприводных машин и не только. В каталоге доступен подбор по авто, VIN-коду и другим параметрам. Есть возможность сохранить подобранные элементы и, закрепив их за конкретным транспортным средством, поместить в свой личный гараж. Для удобства пользования на сайте сделана сортировка по различным параметрам. К слову, интерьерные решения сгруппированы в едином разделе. Чехлы и накидки, мелкие аксессуары и автоприколы, коврики салона и багажника, разделители пространства и немало других товаров. Лебедки для квадроциклов и внедорожников, тали, силовой обвес, фаркопы, оси для прицепов, велокрепления, поперечины, рейлинги, ролеты, крышки грузового отсека для пикапов, тенты, корыта в кузов, расширители арок, решетки радиатора, демпферы и многое другое для тюнинга и стилизации находится во вкладке экстерьер. Перечень тюнинговых запчастей, обеспечивающих характеристики повышенной мощности и проходимости, логично помещен в раздел усиленных запчастей. Сайлентблоки, крепежные болты, полиуретановые втулки и комплекты креплений подвесок. Боковые тяги, рычаги, стабилизаторы и крепления, приводной вал. А также система рулевого управления, тормозные диски и колодки, детали дифференциала.